|
Тип
|
Стальной |
|
Материал
|
Сталь |
|
Вид
|
Тройник |
|
DN
|
15-1000 |
|
Давление,PN
|
до 16 |
|
Среда
|
вода, пар, газ, нефтепродукты |
|
Присоединение
|
под приварку |
|
Марка стали
|
ст.09Г2С |
|
ГОСТ
|
ГОСТ 17376 |
Тройник стальной предназначен для соединения трубопроводов под углом 90° в системах высокого давления. Изготовлен из качественной стали марки 09Г2С, что обеспечивает высокую прочность, износостойкость и устойчивость к механическим нагрузкам.
Основным назначением стальных бесшовных тройников является подсоединение к трубопроводу различных боковых ответвлений. Подсоединение производится обычной сваркой «встык», по торцевым частям тройника. В документе по нормам ГОСТ 17376-01 очень хорошо расписана конструкция различных размеров приварных бесшовных тройников из низколегированной и углеродистой стали. Стандарт ГОСТ 17380-2001 содержит описание требований к различным бесшовным деталям, также там имеются тройники с давлением до Ру160 (PN16 МПа).
Особенности бесшовных тройников по стандарту ГОСТ 17376-01
В качестве заготовок для будущих тройников используется отрезок трубы; серийное изготовление тройников по стандарту ГОСТ 17376-01 выполняется методом гидроштамповки. После установки и фиксации заготовки (патрубка) в прессе осуществляется процесс штампования нового тройника. После прессования торец ответвления удалялся, и заготовки проходили термическую нормализацию для снятия внутренних напряжений, являющимися избыточными и возникающих в процессе деформирования под прессом.
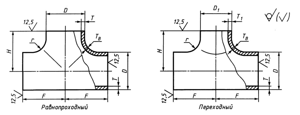
Бесшовные тройники делят на переходные (неравнопроходные) и равнопроходные по своей конструкции. У неравнопроходных тройников ответвляющая сторона всегда будет меньше основной магистрали тройника по диаметру, а у равнопроходных диаметр ответвляющей стороны и диаметры магистрали всегда одинаковые.
Характеристики:
- Материал: сталь 09Г2С
- Стандарт: ГОСТ 17376-2001
- Тип соединения: под приварку
- Рабочая среда: вода, пар, газ, нефтепродукты
- Давление: до 16 МПа (160 кгс/см²)
- Применение: Используется в промышленных трубопроводах, энергетике, ЖКХ, нефтегазовой и химической отраслях. Обеспечивает надежное и долговечное соединение труб.
Преимущества:
- Соответствие ГОСТ
- Высокая коррозионная стойкость
- Устойчивость к гидроударам
- Широкая сфера применения

Размеры тройников по стандарту ГОСТ 17376-01
|
D
|
T |
D1 |
T1 |
F |
H |
r, не менее |
Масса, кг |
|---|---|---|---|---|---|---|---|
|
45 |
2,5 |
--- |
--- |
40 |
40 |
5 |
0,3 |
|
57 |
3,0 |
45 |
2,5 |
50 |
45 |
5 |
0,4 |
|
3,0 |
--- |
--- |
0,4 |
||||
|
76 |
3,5 |
45 |
2,5 |
65 |
60 |
5 |
0,8 |
|
3,5 |
57 |
3,0 |
0,8 |
||||
|
3,5 |
--- |
--- |
0,8 |
||||
|
89 |
3,5 |
57 |
3,0 |
80 |
70 |
5 |
1,5 |
|
3,5 |
76 |
3,5 |
1,5 |
||||
|
3,5 |
--- |
--- |
1,5 |
||||
|
108 |
4,0 |
76 |
3,5 |
100 |
80 |
5 |
2,2 |
|
4,0 |
89 |
4,0 |
2,2 |
||||
|
4,0 |
--- |
--- |
2,2 |
||||
|
133 |
4,0 |
89 |
3,5 |
110 |
95 |
6 |
2,9 |
|
4,0 |
108 |
4,0 |
2,9 |
||||
|
4,0 |
--- |
--- |
2,9 |
||||
|
159 |
4,5 |
108 |
4,0 |
130 |
110 |
8 |
4,8 |
|
4,5 |
133 |
4,0 |
4,8 |
||||
|
4,5 |
--- |
--- |
4,8 |
||||
|
219 |
6,0 |
133 |
5,0 |
160 |
140 |
10 |
10,2 |
|
6,0 |
159 |
6,0 |
10,2 |
||||
|
6,0 |
--- |
--- |
10,2 |
||||
|
273 |
7,0 |
159 |
4,5 |
190 |
175 |
12 |
18,4 |
|
7,0 |
219 |
6,0 |
18,4 |
||||
|
7,0 |
--- |
--- |
18,4 |
||||
|
325 |
8,0 |
219 |
6,0 |
220 |
200 |
15 |
27,4 |
|
8,0 |
273 |
7,0 |
27,4 |
||||
|
8,0 |
--- |
--- |
27,4 |
||||
|
377 |
10,0 |
273 |
7,0 |
240 |
15 |
46,0 |
|
|
10,0 |
325 |
8,0 |
46,0 |
||||
|
10,0 |
--- |
--- |
46,0 |
||||
|
426 |
10,0 |
325 |
8,0 |
270 |
250 |
18 |
55,5 |
|
10,0 |
377 |
10,0 |
55,5 |
||||
|
10,0 |
--- |
--- |
55,5 |
Чтобы купить тройник стальной ГОСТ 17376-2001 ст. 09Г2С- оставьте заявку на сайте. Менеджер свяжется с Вами для уточнения деталей заказа и рассчитает стоимость доставки.
Чтобы приобрести понравившийся товар, необходимо его заказать. Есть несколько сценариев того, как это можно сделать.
- Выбрать понравившийся товар и нажать кнопку «Заказать». При оформлении заказа заполнить форму. Вписать информацию в поля: ФИО, телефон и e-mail. Затем вам перезвонит менеджер, чтобы подтвердить ваше согласие на совершение покупки.
- Выбрать понравившийся товар и нажать кнопку «В корзину». Затем перейти в корзину и нажать «Оформить заказ». Далее заполнить форму с контактными данными и отправить заявку. С вами свяжется менеджер для дальнейшего обсуждения.
- Перейти в карточку товара и нажать «Купить в один клик». После нажатия нужно заполнить форму и отправить заявку. С вами свяжется менеджер для дальнейшего обсуждения.
Мы работаем с физическими и юридическими лицами. И предоставляем сразу два варианта оплаты.
- Оплата на расчётный счет через банк.
- Безналичный расчет. Принимаем карты Visa и MasterCard.
Доставляем продукцию по всей России автомобильным и железнодорожным транспортом. Автомобильные грузоперевозки осуществляются силами нашей логистической службы. В нашем распоряжении собственный автопарк.
Перевозки до 1,5 тонн производятся на автомобилях ПЗА - 2887 «Косуля», до 3,5 тонн – на автомобилях ПЗА - 3998 «Гризли». До 20 тонн – на грузовиках «ПАРНАС». Грузоперевозки объемом свыше 20 тонн осуществляются железнодорожным транспортом.
Доставка продукции производится по всей России. Стоимость услуги рассчитывается по конечному пункту назначения.

