|
Тип
|
Не фиксирующий, для труб из ПВХ и стали |
|
Материал
|
Сталь |
|
Cерия
|
260 |
|
Вид
|
Адаптер фланцевый |
|
DN
|
1000 |
|
Давление,PN
|
16 |
|
Среда
|
Для воды, нейтральных жидкостей |
|
Т рабочей среды, ˚С
|
до +70°C |
|
Уплотнение
|
EPDM |
|
Присоединение
|
Механическое |
|
Инженерная система
|
Водоснабжение, Сточные воды |
|
Покрытие
|
Эпоксидное |
Фланцевый адаптер для нестандартных размеров труб. Для воды и нейтральных жидкостей до макс. 70°C.
Фланцевые адаптеры AVK используются в тех случаях, когда на конце трубы необходимо получить фланцевое соединение для возможности дальнейшего монтажа фланцевой арматуры, к примеру задвижек или насосов. Фланцевые адаптеры могут быть изготовлены для любых наружных диаметров труб в пределах допустимых размеров, подходят для всех металлических и для большинства твердостенных труб.
| Вариант 260/30-100 | |
|---|---|
| Соединение |
Механическое соединение |
| Материал |
Сталь |
| Классификация давления | PN 16 |
Преимущества
- Изготавливаются из низкоуглеродистой стали;
- Уплотнения из вулканизированной резины EPDM;
- Могут быть изготовлены для любых наружных диаметров труб в пределах допустимых размеров;
- Подходят для металлических, ВЧШГ, стальных и ПВХ труб;
- Под заказ фланцы могут поставляться с рассверловкой в соответствии с любымы стандартами;
- Допустимые допуски от номинального диаметра +2....-5мм;
- Порошковое эпоксидное покрытие по DIN 3476-1 и EN 14901
Размеры

*AVK International A/S оставляет за собой право вносить изменения в конструкцию и материалы, не ухудшающие эксплуатационные характеристики

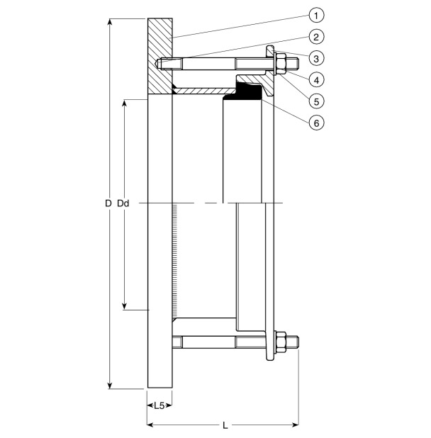
Комплектующие
| 1. | Корпус |
cталь Fe 430B |
| 2. | Кольцо сальника |
cталь Fe 430B |
| 3. | Уплотнение | резина EPDM |
| 4. |
Болт,гайка |
cталь класса прочности 8.8, оцинкованная пассивированная |
| 5. | Шайба |
оцинкованная сталь |
Разрешения
- Разрешение WRAS
Чтобы купить Фланцевый адаптер AVK для труб из ПВХ и стали, PN16 - оставьте заявку на сайте. Наш менеджер свяжется с вами для уточнения деталей заказа и рассчитает стоимость доставки.
Чтобы приобрести понравившийся товар, необходимо его заказать. Есть несколько сценариев того, как это можно сделать.
- Выбрать понравившийся товар и нажать кнопку «Заказать». При оформлении заказа заполнить форму. Вписать информацию в поля: ФИО, телефон и e-mail. Затем вам перезвонит менеджер, чтобы подтвердить ваше согласие на совершение покупки.
- Выбрать понравившийся товар и нажать кнопку «В корзину». Затем перейти в корзину и нажать «Оформить заказ». Далее заполнить форму с контактными данными и отправить заявку. С вами свяжется менеджер для дальнейшего обсуждения.
- Перейти в карточку товара и нажать «Купить в один клик». После нажатия нужно заполнить форму и отправить заявку. С вами свяжется менеджер для дальнейшего обсуждения.
Мы работаем с физическими и юридическими лицами. И предоставляем сразу два варианта оплаты.
- Оплата на расчётный счет через банк.
- Безналичный расчет. Принимаем карты Visa и MasterCard.
Доставляем продукцию по всей России автомобильным и железнодорожным транспортом. Автомобильные грузоперевозки осуществляются силами нашей логистической службы. В нашем распоряжении собственный автопарк.
Перевозки до 1,5 тонн производятся на автомобилях ПЗА - 2887 «Косуля», до 3,5 тонн – на автомобилях ПЗА - 3998 «Гризли». До 20 тонн – на грузовиках «ПАРНАС». Грузоперевозки объемом свыше 20 тонн осуществляются железнодорожным транспортом.
Доставка продукции производится по всей России. Стоимость услуги рассчитывается по конечному пункту назначения.

