Выпуск фланцевый чугунный ВФ ДУ 800*200 – это надежный элемент трубопроводной арматуры, предназначенный для соединения труб, отвода сточных вод и организации канализационных систем. Изготовлен из высокопрочного чугуна, который обладает повышенной прочностью, износостойкостью и устойчивостью к коррозии.
Материалы:
Изготавливается из высокопрочного чугуна с шаровидной формой графита.
На внутреннюю поверхность фасонных частей наносится цементно-песчаное покрытие.
На наружную поверхность фасонных частей наносится защитное покрытие цинком и битумным лаком.

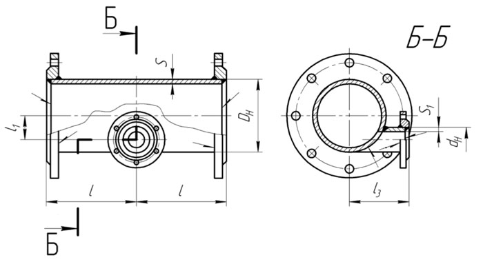
Размеры:
| DN х dn | DH | dh | S | S1 | L | L3 | L1 |
|---|---|---|---|---|---|---|---|
|
800х200 |
842 |
222 |
15,6 |
8,4 |
700 |
525 |
305 |
*Размеры носят справочный характер, допускается изменение размеров с сохранением функциональных характеристик изделия.
Сферы применения:
- Коммунальное хозяйство (канализационные сети, ливневые стоки).
- Промышленность (технические трубопроводы, системы водоотведения).
- Строительство (внутренние и наружные инженерные сети).
- Транспортная инфраструктура (дренажные системы, тоннели).
Преимущества:
- Высокая прочность – устойчивость к механическим нагрузкам и гидроударам
- Коррозионная стойкость – долговечность даже в агрессивных средах
- Герметичность – надежное соединение с резиновыми уплотнителями
- Универсальность – совместимость с различными системами водоотведения
- Долгий срок службы – устойчив к износу и перепадам температур
ГОСТ/ТУ:
Номенклатура и присоединительные размеры соответствуют требованиям ГОСТ 5525-88.
ЛТК "СВОБОДНЫЙ СОКОЛ" производит фасонные части из ВЧШГ:
- ЛИТЫЕ ТУ 24.51.30-035-90910065-2021 взамен ТУ 1460-035-90910065-2015
- СВАРНЫЕ ТУ 1468-041-90910065-2013 взамен ТУ 1468-041-50254094-2001
Маркировка
Соединительные части имеют на наружной поверхности литую или нанесенную краской маркировку, включающую следующие обозначения:
- товарный знак предприятия-изготовителя;
- условный проход;
- год изготовления;
- обозначение, что материалом трубы является чугун с шаровидной формой графита (GGG).
Чтобы купить выпуск фланцевый ВФ ВЧШГ DN800х200 (ДУ800х200) - оставьте заявку на сайте. Менеджер свяжется с Вами для уточнения деталей заказа и рассчитает стоимость доставки.
Чтобы приобрести понравившийся товар, необходимо его заказать. Есть несколько сценариев того, как это можно сделать.
- Выбрать понравившийся товар и нажать кнопку «Заказать». При оформлении заказа заполнить форму. Вписать информацию в поля: ФИО, телефон и e-mail. Затем вам перезвонит менеджер, чтобы подтвердить ваше согласие на совершение покупки.
- Выбрать понравившийся товар и нажать кнопку «В корзину». Затем перейти в корзину и нажать «Оформить заказ». Далее заполнить форму с контактными данными и отправить заявку. С вами свяжется менеджер для дальнейшего обсуждения.
- Перейти в карточку товара и нажать «Купить в один клик». После нажатия нужно заполнить форму и отправить заявку. С вами свяжется менеджер для дальнейшего обсуждения.
Мы работаем с физическими и юридическими лицами. И предоставляем сразу два варианта оплаты.
- Оплата на расчётный счет через банк.
- Безналичный расчет. Принимаем карты Visa и MasterCard.
Доставляем продукцию по всей России автомобильным и железнодорожным транспортом. Автомобильные грузоперевозки осуществляются силами нашей логистической службы. В нашем распоряжении собственный автопарк.
Перевозки до 1,5 тонн производятся на автомобилях ПЗА - 2887 «Косуля», до 3,5 тонн – на автомобилях ПЗА - 3998 «Гризли». До 20 тонн – на грузовиках «ПАРНАС». Грузоперевозки объемом свыше 20 тонн осуществляются железнодорожным транспортом.
Доставка продукции производится по всей России. Стоимость услуги рассчитывается по конечному пункту назначения.

