Применение
Муфта ремонтная надвижная МРН применяется в системах трубопроводов для:
- ремонта/замены дефектных участков труб;
- соединения гладких (безраструбных) концов труб.
Материалы:
Муфта ремонтная надвижная МРН изготавливается из высокопрочного чугуна с шаровидным графитом.
На наружную поверхность муфты нанесены антикоррозионные защитные покрытия в различных сочетаниях: цинконаполненная краска (содержание цинка не менее 85%) и отделочное покрытие (битумная краска или краска на основе синтетической смолы или эпоксидная краска). Покрытие соответствует требованиям ИСО 8179-2.
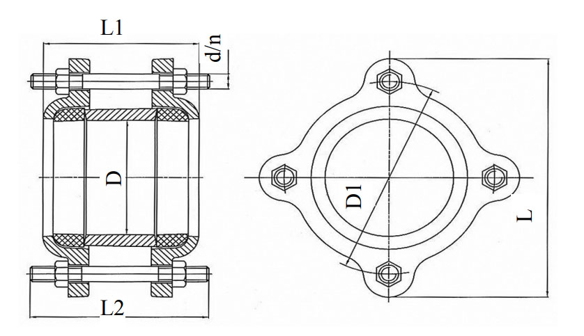
Размеры:

DN : 150 мм
D: 174 мм
D1: 263 мм
L: 314 мм
L1: 183 мм
L2: 170 мм
d резьбы: М20
n: 4
Порядок ремонта:
- определить длину дефектного участка трубы;
- вырезать дефектный участок;
- подготовить участок необходимого диаметра и длины;
- надеть на каждый конец ремонтируемой трубы муфты ремонтные в разобранном виде;
- установить подготовленный участок трубы по месту;
- сдвинуть муфты на центры стыков, установить шпильки и произвести затяжку муфт.
ГОСТ/ТУ:
Номенклатура и присоединительные размеры соответствуют требованиям ISO 2531, ГОСТ 5525-88.
ЛТК "СВОБОДНЫЙ СОКОЛ" производит фасонные части из ВЧШГ:
- ЛИТЫЕ ТУ 24.51.30-035-90910065-2021 взамен ТУ 1460-035-90910065-2015
- СВАРНЫЕ ТУ 1468-041-90910065-2013 взамен ТУ 1468-041-50254094-2001
Маркировка
Соединительные части имеют на наружной поверхности литую или нанесенную краской маркировку, включающую следующие обозначения:
- товарный знак предприятия-изготовителя;
- условный проход;
- год изготовления;
- обозначение, что материалом трубы является чугун с шаровидной формой графита (GGG).
Чтобы купить муфту ремонтную надвижную МРН ВЧШГ необходимого диаметра от DN100 до DN300 оставьте заявку на сайте. Менеджер свяжется с Вами для уточнения деталей заказа и рассчитает стоимость доставки.
Чтобы приобрести понравившийся товар, необходимо его заказать. Есть несколько сценариев того, как это можно сделать.
- Выбрать понравившийся товар и нажать кнопку «Заказать». При оформлении заказа заполнить форму. Вписать информацию в поля: ФИО, телефон и e-mail. Затем вам перезвонит менеджер, чтобы подтвердить ваше согласие на совершение покупки.
- Выбрать понравившийся товар и нажать кнопку «В корзину». Затем перейти в корзину и нажать «Оформить заказ». Далее заполнить форму с контактными данными и отправить заявку. С вами свяжется менеджер для дальнейшего обсуждения.
- Перейти в карточку товара и нажать «Купить в один клик». После нажатия нужно заполнить форму и отправить заявку. С вами свяжется менеджер для дальнейшего обсуждения.
Мы работаем с физическими и юридическими лицами. И предоставляем сразу два варианта оплаты.
- Оплата на расчётный счет через банк.
- Безналичный расчет. Принимаем карты Visa и MasterCard.
Доставляем продукцию по всей России автомобильным и железнодорожным транспортом. Автомобильные грузоперевозки осуществляются силами нашей логистической службы. В нашем распоряжении собственный автопарк.
Перевозки до 1,5 тонн производятся на автомобилях ПЗА - 2887 «Косуля», до 3,5 тонн – на автомобилях ПЗА - 3998 «Гризли». До 20 тонн – на грузовиках «ПАРНАС». Грузоперевозки объемом свыше 20 тонн осуществляются железнодорожным транспортом.
Доставка продукции производится по всей России. Стоимость услуги рассчитывается по конечному пункту назначения.

