Литая ПЭ втулка не имеет швов и представляет собой однородное изделие. ПНД втулки под фланец можно использовать на трубопроводах из полиэтиленовых труб всех видов и назначений. Применяются для присоединения к стальной или чугунной арматуре, для фланцевых соединений с полиэтиленовыми трубами. Монтируются с помощью сварки в стык и при помощи электросварных фитингов (при использовании удлиненных фланцевых втулок).

.
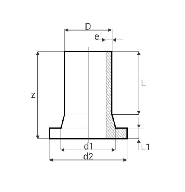
| D mm | SDR | Z (mm) | d1 (mm) | d2 (mm) | L (mm) | L1 (mm) | e |
|---|---|---|---|---|---|---|---|
| 63 | SDR 11 | 100 | 74 | 100 | 67 | 14 | 5,72 |
| 75 | SDR 11 | 120 | 89 | 122 | 87 | 16 | 6,81 |
| SDR 17 | 4,41 | ||||||
| 90 | SDR 11 | 140 | 106 | 138 | 101 | 17 | 8,18 |
| SDR 17 | 5,29 | ||||||
| 110 | SDR 11 | 160 | 126 | 158 | 120 | 18 | 10 |
| SDR 17 | 6,47 | ||||||
| 125 | SDR 11 | 170 | 132 | 158 | 123 | 25 | 11,36 |
| SDR 17 | 7,35 | ||||||
| 140 | SDR 11 | 191 | 155 | 188 | 130 | 25 | 12,72 |
| SDR 17 | 8,23 | ||||||
| 160 | SDR 11 | 180 | 176 | 212 | 133 | 25 | 14,54 |
| SDR 17 | 9,41 | ||||||
| 180 | SDR 11 | 190 | 180 | 212 | 160 | 30 | 16,36 |
| SDR 17 | 10,58 | ||||||
| 200 | SDR 11 | 200 | 234 | 268 | 132 | 32 | 18,18 |
| SDR 17 | 11,76 | ||||||
| 225 | SDR 11 | 200 | 235 | 268 | 138 | 32 | 20,45 |
| SDR 17 | 13,23 | ||||||
| 250 | SDR 11 | 215 | 285 | 320 | 130 | 35 | 22,72 |
| SDR 17 | 14,7 | ||||||
| 280 | SDR 11 | 228 | 291 | 320 | 145 | 35 | 25,45 |
| SDR 17 | 16,47 | ||||||
| 315 | SDR 11 | 238 | 335 | 370 | 150 | 35 | 28,63 |
| SDR 17 | 18,52 | ||||||
| 355 | SDR 11 | 258 | 373 | 430 | 165 | 40 | 32,27 |
| SDR 17 | 20,88 | ||||||
| 400 | SDR 11 | 285 | 427 | 482 | 182 | 46 | 36,36 |
| SDR 17 | 23,52 | ||||||
| 450 | SDR 11 | 250 | 460 | 535 | 150 | 60 | 40,9 |
| SDR 17 | 26,47 | ||||||
| 500 | SDR 11 | 270 | 530 | 585 | 170 | 60 | 45,45 |
| SDR 17 | 29,41 | ||||||
| 560 | SDR 11 | 280 | 615 | 685 | 180 | 60 | 50,9 |
| SDR 17 | 32,94 | ||||||
| 630 | SDR 11 | 270 | 642 | 685 | 170 | 60 | 57,27 |
| SDR 17 | 37,05 |
Чтобы купить литую удлиненную втулку под фланец ПНД ПЭ100 SDR11 - оставьте заявку на сайте. Наш менеджер свяжется с вами для уточнения деталей заказа, рассчитает стоимость товаров и доставки.
Чтобы приобрести понравившийся товар, необходимо его заказать. Есть несколько сценариев того, как это можно сделать.
- Выбрать понравившийся товар и нажать кнопку «Заказать». При оформлении заказа заполнить форму. Вписать информацию в поля: ФИО, телефон и e-mail. Затем вам перезвонит менеджер, чтобы подтвердить ваше согласие на совершение покупки.
- Выбрать понравившийся товар и нажать кнопку «В корзину». Затем перейти в корзину и нажать «Оформить заказ». Далее заполнить форму с контактными данными и отправить заявку. С вами свяжется менеджер для дальнейшего обсуждения.
- Перейти в карточку товара и нажать «Купить в один клик». После нажатия нужно заполнить форму и отправить заявку. С вами свяжется менеджер для дальнейшего обсуждения.
Мы работаем с физическими и юридическими лицами. И предоставляем сразу два варианта оплаты.
- Оплата на расчётный счет через банк.
- Безналичный расчет. Принимаем карты Visa и MasterCard.
Доставляем продукцию по всей России автомобильным и железнодорожным транспортом. Автомобильные грузоперевозки осуществляются силами нашей логистической службы. В нашем распоряжении собственный автопарк.
Перевозки до 1,5 тонн производятся на автомобилях ПЗА - 2887 «Косуля», до 3,5 тонн – на автомобилях ПЗА - 3998 «Гризли». До 20 тонн – на грузовиках «ПАРНАС». Грузоперевозки объемом свыше 20 тонн осуществляются железнодорожным транспортом.
Доставка продукции производится по всей России. Стоимость услуги рассчитывается по конечному пункту назначения.

